|
商品の詳細:
|
| サイズ: | DN10-DN200 | PRSSURE: | PN1.6~16MPa |
|---|---|---|---|
| 温度: | -29~570℃ | ボディの材料: | WCB |
| 適当な媒体:: | 水、オイル、蒸気および他の非腐食性媒体 | ||
| ハイライト: | 通された地球弁,ステンレス鋼のフランジを付けたようになった地球弁 |
||
プロダクト使用
Class1500-29に適当| |石油のようなさまざまな働く条件の下の3500のlb、働く温度570の℃、化学工業、発電所の配管媒体を接続するため断ち切るか、または。適当な媒体:水、オイル、蒸気および他の非腐食性媒体。
| J41Hの鋼鉄地球弁のモデルPN16~PN160主要なパフォーマンス パラメータ | ||||||||
| モデル | PN | 働き圧力MPa | 温度の℃ | 適当な媒体 | ||||
| J41H-16C~160C | 16~160 | 1.6~16.0 | ≤425 | 水、オイル、蒸気 | ||||
|
プロダクト構成材料 J41HのモデルPN16~PN160鋼鉄地球弁の部品材料 |
||||||||
| モデル | 材料 | |||||||
| ボディおよびボンネット | 茎 | 密封の表面 | パッキング | |||||
| J41H-16C~160C | WCB | クロムのステンレス鋼 | 浮上の鉄の基礎合金 | アスベストス、グラファイト、適用範囲が広いグラファイト、PTEF | ||||
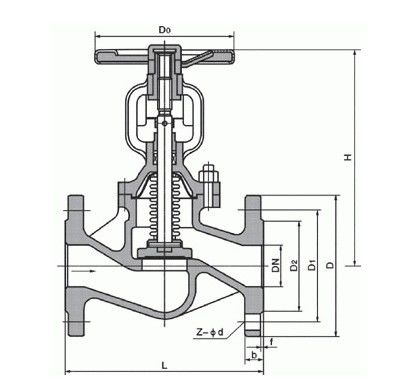
![]()
| J41H PN16の鋼鉄地球弁プロダクト形および構造のサイズ(mm) | |||||||||
| DN | L | D | D1 | D2 | b | z×ød | H | D0 | weight/KG |
| 10 | 130 | 90 | 60 | 40 | 14 | 4×ø14 | 198 | 120 | 5 |
| 15 | 130 | 95 | 65 | 45 | 14 | 4×ø14 | 200 | 120 | 5.5 |
| 20 | 150 | 105 | 75 | 55 | 14 | 4×ø14 | 243 | 140 | 7.3 |
| 25 | 160 | 115 | 85 | 65 | 14 | 4×ø14 | 253 | 160 | 8 |
| 32 | 180 | 135 | 100 | 78 | 15 | 4×ø18 | 280 | 160 | 12 |
| 40 | 200 | 145 | 110 | 85 | 16 | 4×ø18 | 312 | 200 | 16 |
| 50 | 230 | 160 | 125 | 100 | 16 | 4×ø18 | 321 | 200 | 16 |
| 65 | 290 | 180 | 145 | 120 | 18 | 4×ø18 | 325 | 240 | 22 |
| 80 | 310 | 195 | 160 | 135 | 20 | 4×ø18 | 355 | 240 | 31 |
| 100 | 350 | 215 | 180 | 155 | 20 | 4×ø18 | 415 | 280 | 45 |
| 125 | 400 | 245 | 210 | 185 | 22 | 4×ø18 | 460 | 320 | 80 |
| 150 | 480 | 280 | 240 | 210 | 24 | 8×ø23 | 510 | 360 | 97 |
| 200 | 600 | 335 | 295 | 265 | 26 | 12×ø23 | 590 | 360 | 169 |
| J41H PN25の鋼鉄地球弁プロダクト形および構造のサイズ(mm) | |||||||||
| DN | L | D | D1 | D2 | b | z×ød | H | D0 | weight/KG |
| 10 | 130 | 90 | 60 | 40 | 16 | 4×ø14 | 198 | 120 | 4.9 |
| 15 | 130 | 95 | 65 | 45 | 16 | 4×ø14 | 233 | 120 | 5.5 |
| 20 | 150 | 105 | 75 | 55 | 16 | 4×ø14 | 275 | 140 | 7 |
| 25 | 160 | 115 | 85 | 65 | 16 | 4×ø14 | 285 | 160 | 7.5 |
| 32 | 180 | 135 | 100 | 78 | 18 | 4×ø18 | 302 | 180 | 8.5 |
| 40 | 200 | 145 | 110 | 85 | 18 | 4×ø18 | 355 | 200 | 12.5 |
| 50 | 230 | 160 | 125 | 100 | 20 | 4×ø18 | 362 | 240 | 16 |
| 65 | 290 | 180 | 145 | 120 | 22 | 8×ø18 | 325 | 280 | 25 |
| 80 | 310 | 195 | 160 | 135 | 22 | 8×ø18 | 369 | 280 | 30 |
| 100 | 350 | 230 | 190 | 165 | 24 | 8×ø23 | 370 | 300 | 35 |
| 125 | 400 | 270 | 220 | 188 | 28 | 8×ø18 | 558 | 400 | 89 |
| 150 | 480 | 300 | 250 | 218 | 30 | 8×ø23 | 611 | 400 | 98 |
| 200 | 600 | 360 | 310 | 278 | 34 | 12×ø25 | 721 | 400 | 170 |
| J41H PN40の鋼鉄地球弁プロダクト形および構造のサイズ(mm) | |||||||||
| DN | L | D | D1 | D2 | b | z×ød | H | D0 | weight/KG |
| 10 | 130 | 90 | 60 | 40 | 16 | 4×ø14 | 198 | 120 | 4.5 |
| 15 | 130 | 95 | 65 | 45 | 16 | 4×ø14 | 233 | 120 | 5 |
| 20 | 150 | 105 | 75 | 55 | 16 | 4×ø14 | 275 | 140 | 7 |
| 25 | 160 | 115 | 85 | 65 | 16 | 4×ø14 | 285 | 160 | 9 |
| 32 | 180 | 135 | 100 | 78 | 18 | 4×ø18 | 302 | 160 | 12 |
| 40 | 200 | 145 | 110 | 85 | 18 | 4×ø18 | 355 | 200 | 17 |
| 50 | 230 | 160 | 125 | 100 | 20 | 4×ø18 | 373 | 240 | 24 |
| 65 | 290 | 180 | 145 | 120 | 22 | 8×ø18 | 408 | 280 | 33 |
| 80 | 310 | 195 | 160 | 135 | 22 | 8×ø18 | 436 | 320 | 44 |
| 100 | 350 | 230 | 190 | 160 | 24 | 8×ø23 | 480 | 360 | 60 |
| 125 | 400 | 270 | 220 | 188 | 28 | 8×ø25 | 558 | 400 | 89 |
| 150 | 480 | 300 | 250 | 218 | 30 | 8×ø25 | 611 | 400 | 130 |
| J41H PN63の鋼鉄地球弁プロダクト形および構造のサイズ(mm) | |||||||||
| DN | L | D | D1 | D2 | b | z×ød | H | D0 | weight/KG |
| 15 | 170 | 105 | 75 | 55 | 18 | 4×ø14 | 148 | 100 | 5 |
| 20 | 190 | 125 | 90 | 68 | 20 | 4×ø18 | 150 | 100 | 6 |
| 25 | 210 | 135 | 100 | 78 | 22 | 4×ø18 | 175 | 120 | 8 |
| 32 | 230 | 150 | 110 | 82 | 24 | 4×ø23 | 200 | 140 | 11 |
| 40 | 260 | 165 | 125 | 95 | 24 | 4×ø23 | 231 | 160 | 14 |
| 50 | 300 | 175 | 135 | 105 | 26 | 4×ø23 | 262 | 180 | 18 |
| 65 | 340 | 200 | 160 | 130 | 28 | 8×ø23 | 450 | 320 | 48 |
| 80 | 380 | 210 | 170 | 140 | 30 | 8×ø23 | 485 | 360 | 56 |
| 100 | 430 | 250 | 200 | 168 | 30 | 8×ø25 | 537 | 400 | 75 |
| 150 | 550 | 340 | 280 | 240 | 38 | 8×ø34 | 646 | 450 | 175 |
| J41H PN100の鋼鉄地球弁プロダクト形および構造のサイズ(mm) | |||||||||
| DN | L | D | D1 | D2 | b | z×ød | H | D0 | weight/KG |
| 10 | 170 | 100 | 70 | 50 | 20 | 4×ø14 | - | 100 | 5.7 |
| 15 | 170 | 105 | 75 | 55 | 20 | 4×ø14 | 195 | 120 | 10 |
| 20 | 190 | 125 | 90 | 68 | 22 | 4×ø18 | 228 | 120 | 13.5 |
| 25 | 210 | 135 | 100 | 78 | 24 | 4×ø18 | 250 | 160 | 14 |
| 32 | 230 | 150 | 110 | 82 | 24 | 4×ø23 | 326 | 200 | 14.3 |
| 40 | 260 | 165 | 125 | 95 | 26 | 4×ø23 | 359 | 240 | 29.5 |
| 50 | 300 | 195 | 145 | 112 | 28 | 4×ø25 | 414 | 280 | 48.5 |
| 65 | 340 | 220 | 170 | 138 | 32 | 8×ø25 | 434 | 320 | 65 |
| 80 | 380 | 230 | 180 | 148 | 34 | 8×ø25 | 547 | 400 | 92 |
| 100 | 430 | 265 | 210 | 172 | 38 | 8×ø30 | 621 | 450 | 107 |
| 125 | 500 | 310 | 250 | 210 | 42 | 8×ø34 | - | - | - |
| 150 | 550 | 350 | 290 | 250 | 46 | 12×ø34 | 840 | - | 310 |
| 200 | 650 | 430 | 360 | 312 | 54 | 12×ø41 | 925 | - | 590 |
| 250 | 775 | 500 | 430 | 382 | 60 | 12×ø41 | 1015 | - | 850 |
| 300 | 900 | 585 | 500 | 442 | 70 | 12×ø48 | 1200 | - | 1040 |
| J41H PN160の鋼鉄地球弁プロダクト形および構造のサイズ(mm) | |||||||||
| DN | L | D | D1 | D2 | b | z×ød | H | D0 | weight/KG |
| 15 | 170 | 110 | 75 | 52 | 24 | 4×ø18 | 148 | 156 | 4.64 |
| 20 | 190 | 130 | 90 | 62 | 26 | 4×ø23 | 156 | 161 | 7.42 |
| 25 | 210 | 140 | 100 | 72 | 28 | 4×ø23 | 175 | 187 | 10.1 |
| 32 | 230 | 165 | 115 | 85 | 30 | 4×ø25 | 200 | 214 | 12.3 |
| 40 | 260 | 175 | 125 | 92 | 32 | 4×ø27 | 231 | 252 | 15.2 |
| 50 | 300 | 215 | 165 | 132 | 36 | 8×ø25 | 262 | 291 | 29.7 |
テスト条件

目録のコーナー

取付け

コンタクトパーソン: Mr. Barry Wang
電話番号: +86-1391-318-7965
ファックス: 86-512-66079692